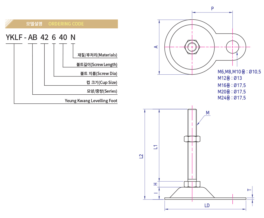
YKLF-A B-TYPE(앙카형)
| [제품개요] | |
|---|---|
| Material | SS41. SUS304(주문사양), ZN(아연) |
| Surface Processing | NI(니켈), PS(폴리싱), EL(무전해) |
| [제품특징] | |
| 제품특징 | FRAME을 별도의 장치없이 바닥에 고정 시키기 위해 사용됨 |
목록으로
- PREVIOUSYKLF-ER(커버-방진)
- NEXTYKLF-A A-TYPE (앙카형)
본문
Detail view

추천0 비추천0
댓글목록
등록된 댓글이 없습니다.

