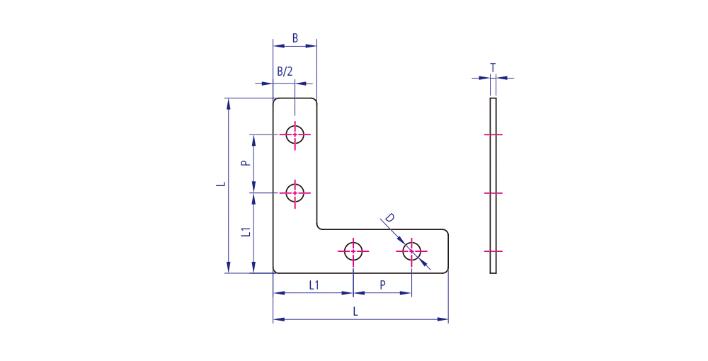
Bracket (브라켓) / YKBK-S (L형) SERIES
| 설 명 | STEEL BRACKET-외부보강용 |
|---|---|
| [제품개요] | |
| Material | SPHC |
| Surface Processing | NI(니켈), ZN(아연) |
| [제품특징] | |
| 강한 체결력을 요하는 작업에 사용 |
목록으로
본문
Detail view

추천0 비추천0
댓글목록
등록된 댓글이 없습니다.

