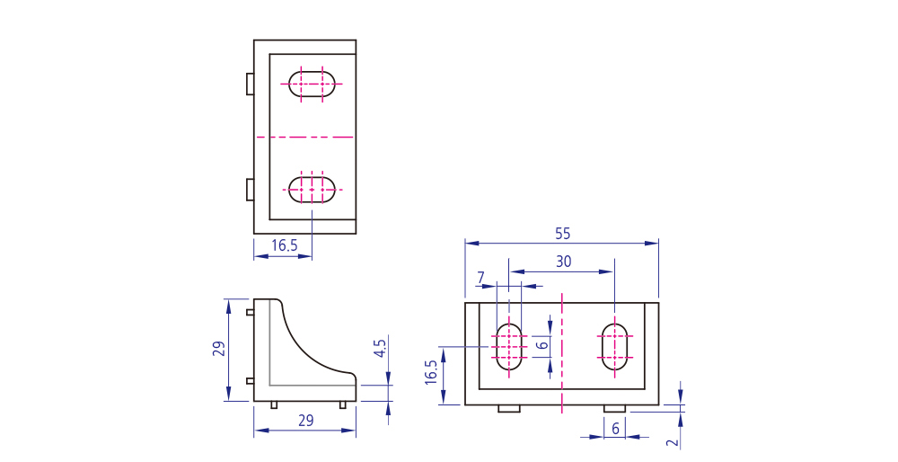
YKBK-DC G30x55
| 설 명 | AL BRACKET |
|---|---|
| [제품개요] | |
| Material | ALDC-12 |
| Surface Processing | SILVER(SHOT, 액체도장) |
| [제품특징] | |
| 제품특징 | 60㎜ 프로파일용 연결부품 |
목록으로
- PREVIOUSYKBK-DC G45, G50용
- NEXTYKBK-DC G60x55
본문
Detail view

추천0 비추천0
댓글목록
등록된 댓글이 없습니다.

