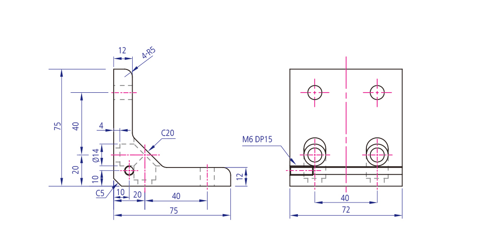
YKBK-AL GS75x72-12T
| 설 명 | AL BRACKET |
|---|---|
| [제품개요] | |
| Material | A6061 |
| Surface Processing | ANODIZING |
| [제품특징] | |
| 제품특징 | 80㎜ 프로파일용 연결부품 |
목록으로
- PREVIOUSYKBK-AL GS75x32-12T
- NEXTYKBK-AL GS75x88-12T
본문
Detail view

추천0 비추천0
댓글목록
등록된 댓글이 없습니다.

