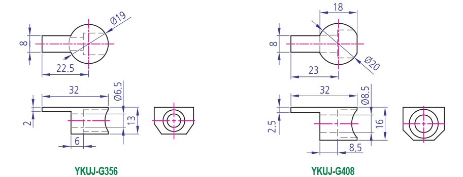
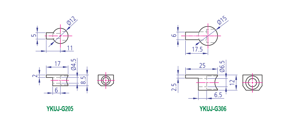
YKUJ-G(표준형)
| 설 명 | UNIVERSAL JOINT |
|---|---|
| [제품개요] | |
| Material | ZINC ALLOY |
| Surface Processing | NI(니켈) - 육각렌지볼트 4x18, 6x25, 8x30 |
| [제품특징] | |
| 제품특징 | 수평, 수직 연결용 20, 30, 308, 40용 |
목록으로
- PREVIOUSYKJC-D(DOUBLE형)
- NEXTYKIB-D30x22, 40x35(대영용)
본문
Detail view


추천0 비추천0
댓글목록
등록된 댓글이 없습니다.

